产品

product

内圈加长型油润滑向心关节轴承

产品参数
PDF
下载
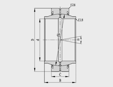
询价 型号 主要尺寸(mm) α°≈ 额定载荷 (KN) 重量 (kg)
d d2(min) D B C dk r1s(min) r2s(min) Cr Cor