产品

product

单列和成对双联

产品参数
PDF
下载
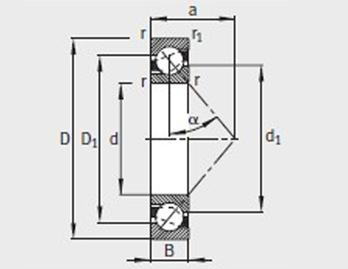
询价 轴承代号(2) 外形尺寸 额定载荷(N) 系数 fo 极限转速(1)(rpm) 作用点位置(mm) 安装尺寸 (mm) 额定载荷(成对双联型)(N) 成对双联型极限转速(1) (rpm) 成对双联型作用点距离a0(mm) 成对双联型安装尺寸(mm) 重量(kg)
单列 成对双联1 成对双联2 d D B r
最小
r1
(最小)
Cr Cor 脂润滑 油润滑 a da
(最小)
Da
(最大)
ra
(最大)
Cr Cor 脂润滑 油润滑 背对背配置 面对面配置 db(3)
(最小)
Db
(最大)
rb(3)
(最大)
(参考)