产品

product

d 80-85mm

产品参数
PDF
下载
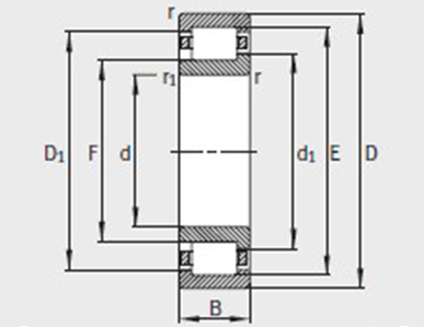
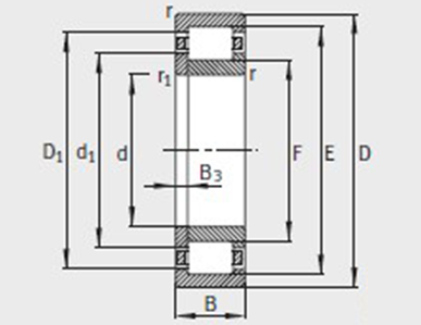
询价 型号 质量 尺寸mm 安装尺寸mm 基本额定载荷N 疲劳极限载荷Cur/N 极限转速nG/min–1 参考转速nB/min–1
轴承 L形斜挡圈 轴承
≈kg
L形斜挡圈
≈kg
d D B r
min
r1
min
s1) E F D1
d1
B1 B2 B3 da
min2)
da
max
dc
min
Da
max2)
ra
max
动载荷
Cr
静载荷
Cor