产品

product

d 100-130mm

产品参数
PDF
下载
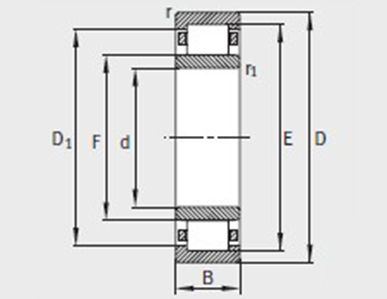
询价 型号 质量m ≈kg 尺寸mm 安装尺寸mm 基本额定载荷N 疲劳极限载荷Cur/ N 极限转速 nG /min–1 参考转速nB/min–1
d D B r
min
r1
min
s1) E F D1 d1 da
min
da
max
db
min
Da
max
Db
min
Dc
max
ra
max
ra1
max
动载荷
Cr
静载荷
Cor