产品

product

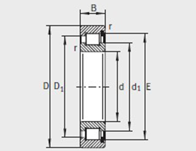
半定位 d 260-500mm

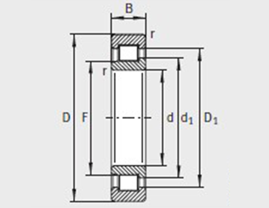
产品参数
PDF
下载
询价 型号 质量 m ≈kg 尺寸mm 安装尺寸mm 基本额定载荷N 疲劳极限载荷Cur/ N 极限转速nG /min–1 参考转速nB /min–1
d D B r
min
s1) F d1
D1
E 动载荷
Cr
静载荷
Cor