产品

product

d 20-160mm

产品参数
PDF
下载
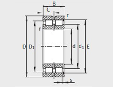
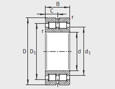
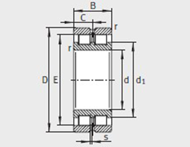
询价 型号 质量/ m≈kg 尺寸mm 安装尺寸mm d2 基本额定载荷N 疲劳极限载荷Cur/ N 极限转速nG脂 min–1 卡环 WRE 止动环依据 DIN471
d D B C C1
+0.2
D1 m r
min
t x Ca11)
-0.2
Ca22)
-0.2
d1 d31) 动载荷
Cr
静载荷
Cor