产品

product

d 17.462-63.5mm

产品参数
PDF
下载
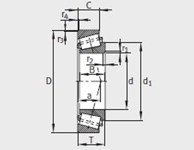
询价 型号 质量/ m ≈kg 尺寸mm 安装尺寸mm 基本额定载荷N 计算系数 疲劳极限载荷Cur/ N 极限转速nG min–1
d D B C T r1, r2
min
r3, r4
min
a
d1
da
max
db
min
Da
min
Db
min
Ca
min
Cb
min
ra
max
rb
max
动载荷
Cr
静载荷
Cor
e Y Y0