产品

product

单侧密封

产品参数
PDF
下载
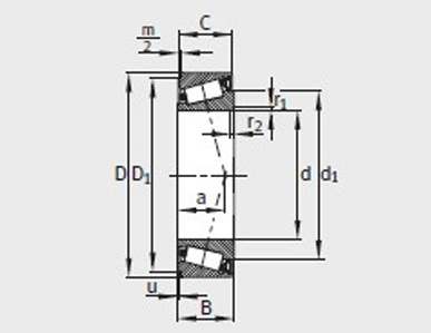
询价 型号 质量 轴承1) m ≈kg 尺寸mm 安装尺寸mm 基本额定载荷N 计算系数 极限转速nG脂 min–1 承载能力FBR2) N 组件最大轴向 锁紧力配对轴承 N
轴承 卡环 d D B C r1, r2
min
D1 m/2 a
u Δu
偏差
d1

da
max

db
min

ra
max

Dn
公称尺寸

ΔDn
偏差
动载荷
Cr
静载荷
Cor
e Y Y0 Cur