产品

product

d 600-900mm

产品参数
PDF
下载
询价 型号 质量 尺寸mm 安装尺寸mm 基本额定载荷 N 计算系数 疲劳极限载荷Cur/ N 极限转速 nG /min–1 参考转速nB/min–1
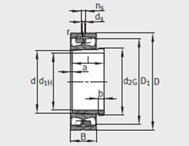
轴承 退卸套 轴承
≈kg
退卸套
≈kg
d1H d D B r
min
D1
ds ns a
b 螺纹
d2G
I da
min
Da
max
ra
max
动载荷
Cr
静载荷
Cor
e Y1 Y2 Y0