产品

product

HK D 4.6-68mm

产品参数
PDF
下载
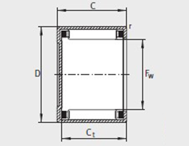
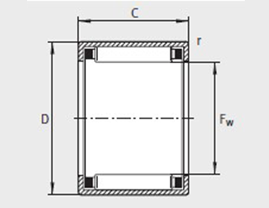
询价 开式冲压外圈滚针轴承 尺寸mm 基本额定载荷N 疲劳极限载荷Cur N 极限转速nG min–1 参考转速nBmin–1 适合内圈(需单独订购)
型号 质量
m
≈g
F
w
D C
-0.3
Ct
min
r
min
动载荷
Cr
静载荷
C0r
LR型号 IR型号