产品

product

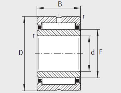
NKIS d 15-65mm

产品参数
PDF
下载
询价 型号 质量m≈g 尺寸mm 基本额定载荷N 疲劳极限载荷Cur/N 极限转速nGmin–1 参考转速nBmin–1
d F D B r
min
s2) 动载荷
Cr
静载荷
Cor