产品

product

NX D 14-47mm

产品参数
PDF
下载
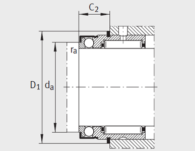
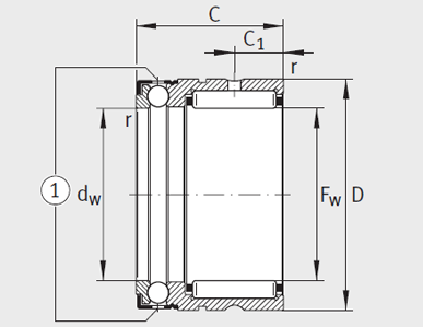
询价 型号 质量 m≈g 尺寸mm 安装尺寸mm 基本额定载荷N 疲劳极限载荷N 极限转速nG min–1 推荐的内圈型号 合适的卡环
用于油润滑 Fw D C
-0.25
C1 dw
E8
r
min
C2 D1 da ra
max
径向
动载荷/Cr
径向
静载荷/Cor
轴向
动载荷/Cr
轴向
静载荷/Cor
Cur Cua