产品

product

NKX D 19-85mm

产品参数
PDF
下载
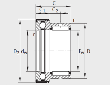
询价 不带外罩型号 质量m≈g 尺寸mm 安装尺寸mm 基本额定载荷N 疲劳极限载荷N 极限转速nG min–1 推荐的内圈型号
Fw D D1
max
D2
max
C
-0.25
C1
–0.2
C2 dw
E8
r
min
da ra
max
径向
动载荷/Cr
径向
静载荷/Cor
轴向
动载荷/Cr
轴向
静载荷/Cor
Cur Cua