产品

product

d 35-85mm

产品参数
PDF
下载
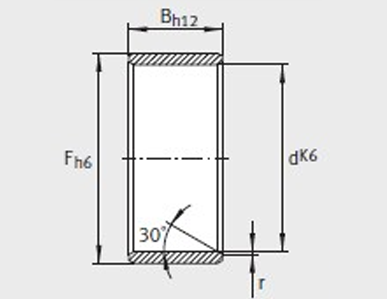
询价 型号 质量m≈g 尺寸mm 滚道F公差 μm
d F B r
min
上限 下限