产品

product

d 130-170mm

产品参数
PDF
下载
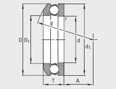
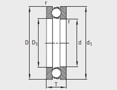
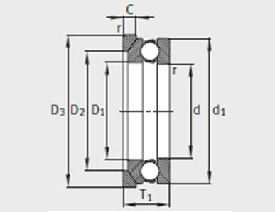
询价 型号 质量 尺寸mm 安装尺寸mm 基本额定载荷N 疲劳极限载荷 CuaN 最小载荷系数 A 极限转速 nG min–1
轴承 垫圈 轴承
≈kg
垫圈
≈kg
d D T D1 d1 r
min
R A D2 D3 C T1 da
min
Da
max
ra
max
动载荷
Ca
静载荷
Coa