产品

product

d 30-109mm

产品参数
PDF
下载
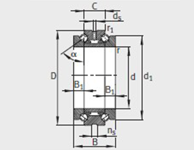
询价 型号 质量m ≈kg 尺寸mm 安装尺寸mm 基本额定载荷N 疲劳极限载荷 CuaN 极限转速
d D B C d1 B1 r
min
r1
min
ds ns da
h12
Da
H12
ra
max
ra1
max
动载荷
Ca
静载荷
Coa
nG
min–1
nG
min–1