产品

product

D 80-180mm

产品参数
PDF
下载
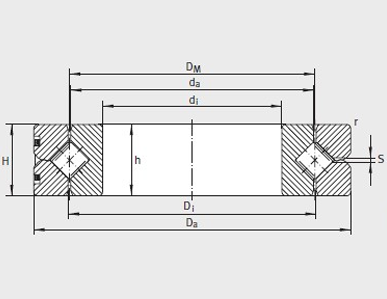
询价 型号 位置1) 质量m ≈kg 尺寸mm 公差mm 运转精度 正常游隙mm 小游隙RLO mm 预载VSP mm 基本额定载荷轴向 基本额定载荷径向4) 极限转速
DM d1
K6 Da
h6 H 公差 h2)
E8
da DI r
min
S3) 径向 轴向 径向游隙
min
径向游隙
max
轴向倾斜游隙
min
轴向倾斜游隙
max
径向
游隙
max
预载
max
min max 动载荷
Ca
N
静载荷
Coa
N
动载荷
Cr
N
静载荷
Cor
N
带普通游隙
nG

min–1
带普通游隙
nG

min–1
带预载
nG

min–1