产品

product

滚轮 带塑料罩胎密封

产品参数
PDF
下载
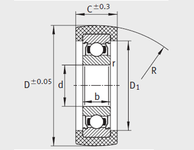
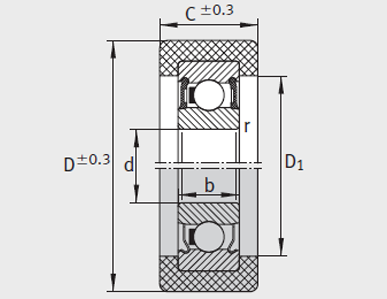
询价 型号 质量m≈g 尺寸mm 滚轮的基本 额定载荷1) Frper N 已安装深沟球 轴承 深沟球轴承的 基本额定载荷
D d C b D1 R r
min
动载荷
Cr
N
静载荷
Cor
N