产品

product

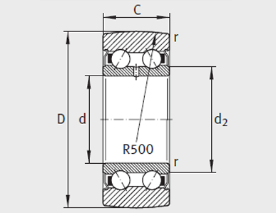
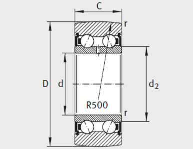
支承型滚轮 双列密封 d 30-40mm

产品参数
PDF
下载
询价 型号 质量m≈g 尺寸mm 基本额定载荷N 疲劳极限载荷 Curw N 转速 nDG min–1
D d C d2 r
min
动载荷
Crw
静载荷
Corw
Frper
N