产品

product

螺栓安装配对轴承ZKLF-2RS-AP

产品参数
PDF
下载
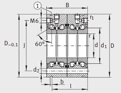
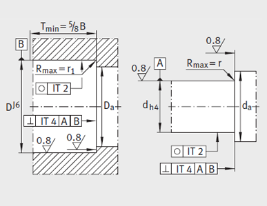
询价 型号 质量m ≈kg 尺寸mm 安装尺寸mm 固定螺栓1) DIN912-10.9 角度 t 数量×t 基本额定载荷 轴向 极限转速 nG脂 min–1 轴承 摩擦 力矩 MRL Nm 刚度 轴向 CaL N/μm 倾覆 刚度 ckL Nm/ mrad 质量 惯性矩2) Mm kg · cm2 轴向 跳动4) μm 锁紧螺母,需单独订购
d
-0.005
D
-0.010
B
-0.50
d1 r
min
r1
min
J d2 i b Da
max
da
min
规格 数量 动载荷
Ca
N
静载荷
Coa
N
型号1 型号2 锁紧
力矩3)
MA
Nm
轴向
预紧力
N