产品

product

重载系列 非螺栓安装ZARN d 55- 90mm

产品参数
PDF
下载
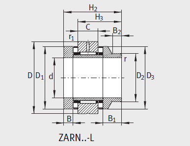
询价 型号 极限转速 尺寸mm 安装尺寸 1) 基本额定载荷 轴承摩擦 力矩 M RL N m 刚度 轴向 c aL N/μm 轴向 跳动 6) μm
质量
m
≈kg
n G
min -1
n G
min -1
d D H H 1 H 2 H 3 C D 1 D 2 D 3 B B 1 B 2 r
min
r 1
min
D a
max
d a
min
轴向动载荷 C a
N
轴向静载荷 C oa
N
径向动载荷 C r
N
径向静载荷C or
N