产品

product

精密锁紧螺母ZM、ZMA D 16-98mm

产品参数
PDF
下载
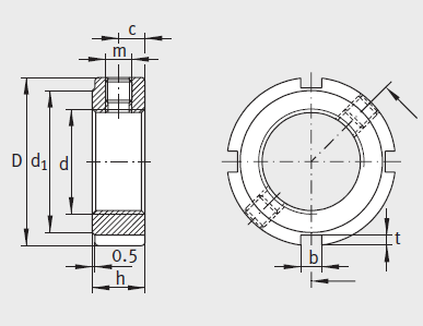
询价 型号 螺纹d 质量m≈kg 尺寸mm 顶丝 锁紧 力矩 M A N m 锁紧螺母 1)
D h b t d1 c m 轴向断裂
载荷
F aB
N
锁紧
力矩
M L
N m
参考锁紧
力矩
M AL
N m
质量
惯性矩
M M
kg·cm 2