产品

product

止动卡板

产品参数
PDF
下载
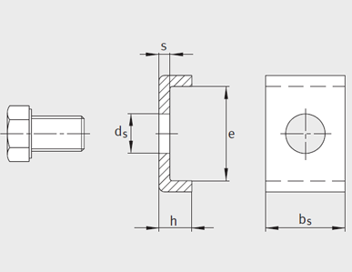
询价 型号 锁紧力矩 Nm 质量 m ≈kg 尺寸 安装尺寸 轴槽
止动卡板
完整
六角头螺钉1) s bs h ds e bw t