产品

product

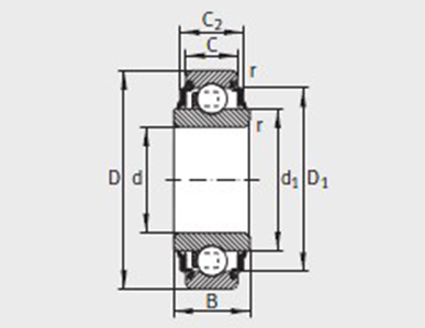
加宽内圈 d 13-60mm

产品参数
PDF
下载
询价 型号 质量 m ≈kg 尺寸 极限转速 nG min–1 基本额定载荷 参考轴承5)
d D C C2 d1 D1 B rmin 动载荷
Cr
N
静载荷
Cor
N