产品

product

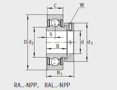
英制 柱面 d 15.875-74.6125

产品参数
PDF
下载
询价 轴径d 型号1) 质量 m ≈kg 尺寸 基本额定载荷 参考轴承2)
inch mm Dsp D B B1 C Ca C2 S d1 d2 D1 d3
max.
A W 动载荷
Cr
N
静载荷
Cor
N