产品

product

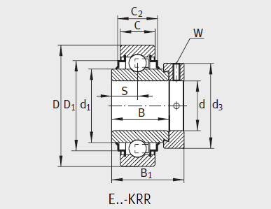
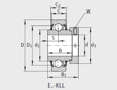
带偏心套 圆柱面外圈 d 20-70mm

产品参数
PDF
下载
询价 型号1) 质量 m ≈kg 尺寸 基本额定载荷 参考轴承2)
d D D2 C C2 A a B S d1 d2 D1 B1 d3
max.
W 动载荷
Cr
N
静载荷
Cor
N