产品

product

带偏心套 d 12-25mm

产品参数
PDF
下载
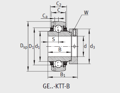
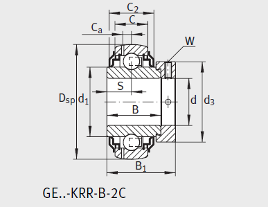
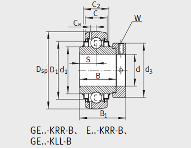
询价 型号1) 质量 m ≈kg 尺寸 基本额定载荷 参考轴承2)
d Dsp C C2 B S d1 d2 D1 Ca B1 d3
max.
W 动载荷
Cr
N
静载荷
Cor
N