产品

product

立式 冲压钢轴承座

产品参数
PDF
下载
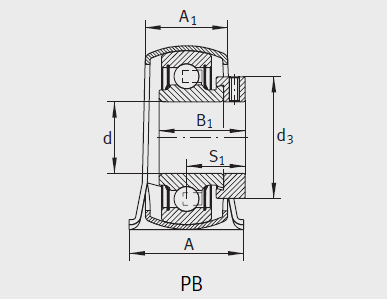
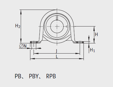
询价 型号 质量 m ≈kg 尺寸 轴承座的承载能力 C0rG N 基本额定载荷
单元 轴承座1) 橡胶内衬 外球面球轴承 d H A A1 H1 H2 N N1 B B1 J S1 P S d3
max.
L 动载荷
Cr
N
静载荷
Cor
N