产品

product

悬挂式 d 25-50mm

产品参数
PDF
下载
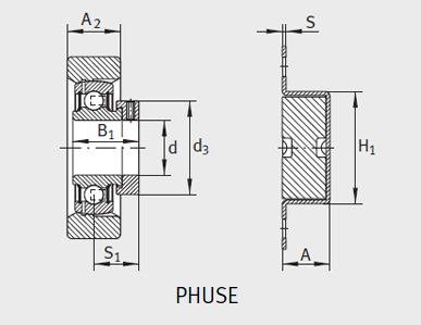
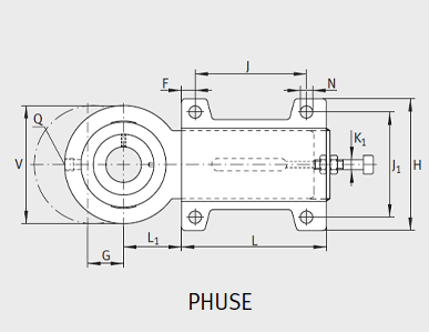
询价 型号 质量 m ≈kg 尺寸 轴承座的承载能力 C0rG N 基本额定载荷
单元 外球面球轴承 d L A2 S F G L1 N K1 B1 J J1 S1 Q d3
max.
A V H H1 动载荷
Cr
N
静载荷
Cor
N