产品

product

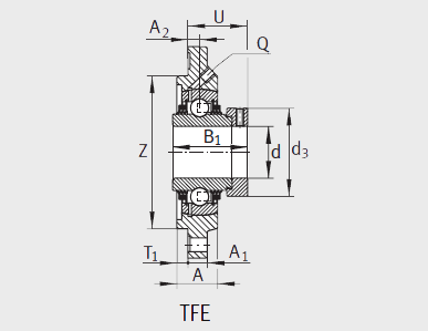
带定心凸台的四螺栓法兰式 d 25-60mm

产品参数
PDF
下载
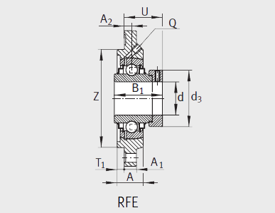
询价 型号 质量 m ≈kg 尺寸 基本额定载荷
单元 轴承座 外球面球轴承 d H A1 N B1 J A2 Q d3
max.
A T1 U Z
h8
动载荷
Cr
N
静载荷
Cor
N