产品

product

四螺栓法兰式 d 65-120mm

产品参数
PDF
下载
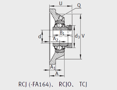
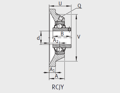
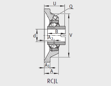
询价 型号 质量 m ≈kg 尺寸 基本额定载荷
单元 轴承座 外球面球轴承 d L A1 N B B1 J A2 Q d3
max.
A U V 动载荷
Cr
N
静载荷
Cor
N