产品

product

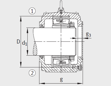
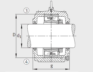
d1 280-400mm

产品参数
PDF
下载
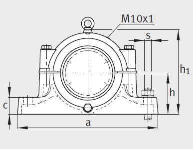
询价 型号 毛毡条 质量 m 轴承座 ≈kg 尺寸
轴承座 轴承 紧定套 a×b×l d1 a g h1 b c D g3 h m n u v s
mm
s
inch