产品

product

d 50-70mm

产品参数
PDF
下载
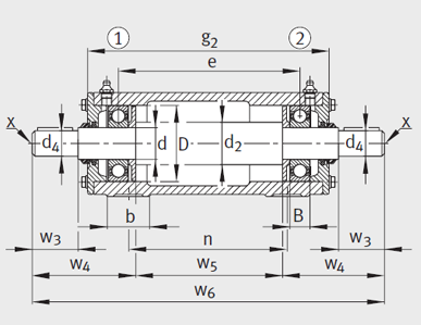
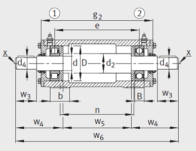
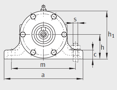
询价 型号 质量m 尺寸
轴承单元 轴承① 轴承② 轴承座 轴承座 ≈kg 单元 ≈kg e d D B a g2 h1 d2 d4 w2 w3 w4 w5 w6 w7 b n m c h s