产品

product

d 65-170mm

产品参数
PDF
下载
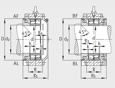
询价 型号 质量 m 轴承座 ≈kg 尺寸
轴承座 轴承 紧定套 d d1 a g1 h1 b C D dc dz g g2 g3 g4 g5 h k m n u v s t s2 s2数量