产品

product

无轴向引导NA带密封

产品参数
PDF
下载
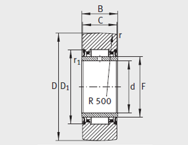
询价 型号 质量m≈g 尺寸mm 基本额定载荷N 疲劳极限载荷 Curw N 转速nDGmin–1
D d C B F/Fw1) D1
min
r
min
r1
min
动载荷
Crw
静载荷
Corw