产品

product

双向YRT50-260

产品参数
PDF
下载
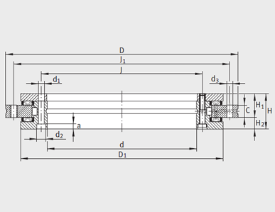
询价 型号 质量 m ≈kg 尺寸mm 固定孔内圈 固定孔外圈 角度t1) 数量×t 带螺纹的退卸孔 螺栓拧紧力矩 MA2) Nm 基本额定载荷轴向 基本额定载荷径向 极限 转速 nG min–1 轴承摩擦 力矩 MRL Nm
d D H H1 H2 C D1 max. J J1 d1 d2 a 数量4) d3 数量4) G 数量 动载荷 Ca N 静载荷 Coa N 动载荷 Cr N 静载荷 Cor N