产品

product

Hk 2Rs Fw 8-50mm

产品参数
PDF
下载
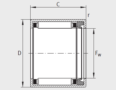
询价 开式双侧密封冲压外圈滚针轴承 尺寸mm 基本额定载荷N 疲劳极限载荷Cur N 极限转速nG min–1 适合内圈(需单独订购)
型号 质量
m
≈g
F
w
D C
-0.3
C1
-0.3
Ct
min
r
min
动载荷
Cr
静载荷
Cor
用于HK..-RS和HK..-2RSLR
LR型号
用于HK..-RS和HK..-2RSLR
IR型号