产品

product

K8 Dc1 15-320mm

产品参数
PDF
下载
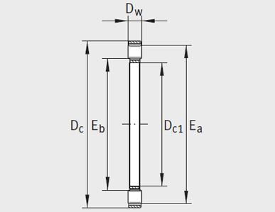
询价 推力圆柱滚子和保持架组件 尺寸mm 滚道尺寸 基本额定载荷N 疲劳极限载荷 Cua N 极限转速 nG min–1 参考转速 nB min–1
型号 质量m
≈kg
Dc1
d
D1 Dc
D
d1 T Dw B a
rmin
Eb Ea 动载荷
Ca
静载荷
Coa