产品

product

d 220-240mm

产品参数
PDF
下载
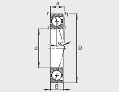
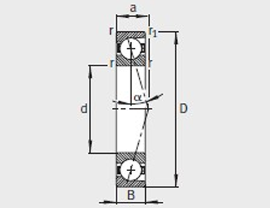
询价 型号 质量m ≈kg 尺寸mm 安装尺寸mm 基本额定载荷N 疲劳极限载荷Cur/ N 极限转速min–1
d D B r
min
r1
min
a
da
h12
Da
H12
ra
max
ra1
max
动载荷
Cr
静载荷
Cor
nG
nG